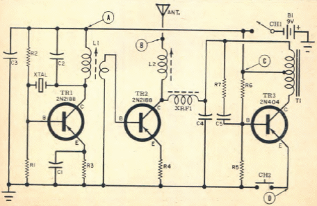
Este circuito foi obtido numa Eletrônica Popular de janeiro de 1967. Ele possui a frequência determinada por cristal de 27 MHz e os transistores usados são da época.


Este circuito foi obtido numa Eletrônica Popular de janeiro de 1967. Ele possui a frequência determinada por cristal de 27 MHz e os transistores usados são da época.

