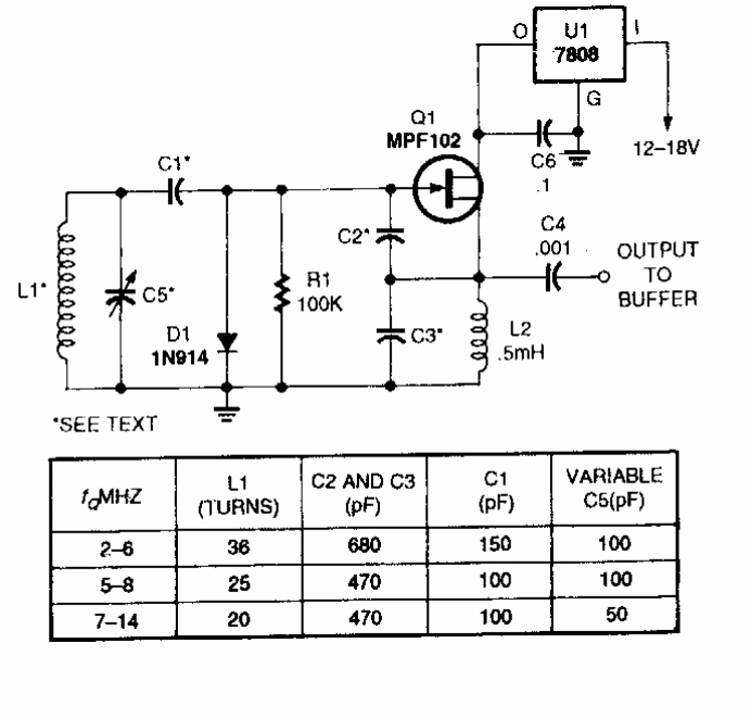
Este circuito foi encontrado numa Popular Electronics dos anos 90. As frequências dependem dos componentes indicados na tabela junto ao diagrama.

 

 


| Clique na imagem para ampliar |

 

 

NO YOUTUBE


NOSSO PODCAST