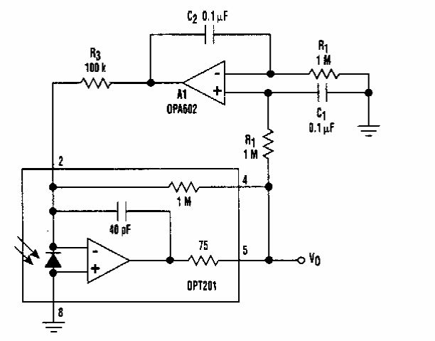
Este circuito é de uma Electronic Design dos anos 90. O circuito tem excelente ganho devendo ser alimentado por fonte simétrica.

Este circuito é de uma Electronic Design dos anos 90. O circuito tem excelente ganho devendo ser alimentado por fonte simétrica.
