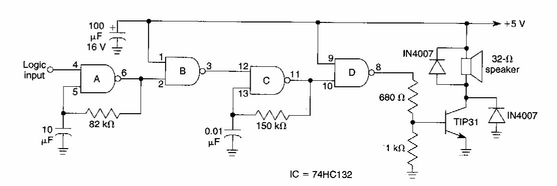
Este oscilador variável com etapa de potência para alarmes foi encontrado numa documentação americana dos anos 90. O transistor de potência deve ser dotado de dissipador de calor.
Este oscilador variável com etapa de potência para alarmes foi encontrado numa documentação americana dos anos 90. O transistor de potência deve ser dotado de dissipador de calor.