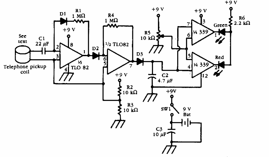
Este circuito monitora campos de ultra-baixas frequências (ELF). Encontramos em uma documentação americana dos anos 90.

 


| Clique na imagem para ampliar |

 

 

NO YOUTUBE


NOSSO PODCAST