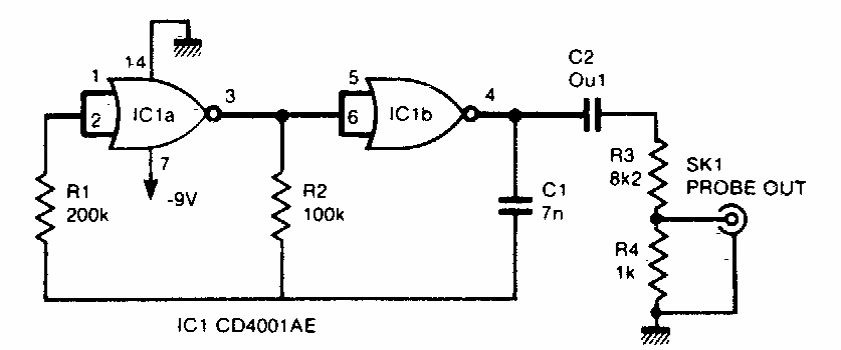
Este simples injetor de sinais pode ser alimentado por tensões de 5 a 9 V e tem um sinal determinado por C1. O sinal é retangular com harmônicas que se estendem até a faixa dos megahertz.
Este simples injetor de sinais pode ser alimentado por tensões de 5 a 9 V e tem um sinal determinado por C1. O sinal é retangular com harmônicas que se estendem até a faixa dos megahertz.