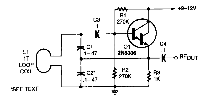
Indicado pela Popular Electronics, numa edição dos anos 90, este circuito nos parece duvidoso pela indutância empregada que deve ser grande.

 


| Clique na imagem para ampliar |

 

 

NO YOUTUBE


NOSSO PODCAST