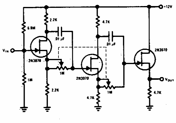
Encontrado em documentação antiga, este circuito desloca a fase de um sinal de 0 a 360 graus. Os FETs admitem equivalentes modernos. O circuito é de uma documentação antiga.

Encontrado em documentação antiga, este circuito desloca a fase de um sinal de 0 a 360 graus. Os FETs admitem equivalentes modernos. O circuito é de uma documentação antiga.
