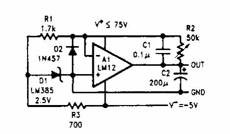
Este regulador positivo de tensão com saída de 70 V foi encontrado num manual da National Semiconductor dos anos 80. A corrente máxima de saída é de 150 mA.

Este regulador positivo de tensão com saída de 70 V foi encontrado num manual da National Semiconductor dos anos 80. A corrente máxima de saída é de 150 mA.
