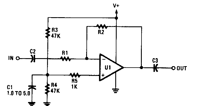
Este circuito inversor foi encontrado numa Radio Electronics. Ele mostra a configuração básica de um amplificador operacional com fonte simples.

 


| Clique na imagem para ampliar |

 

 

NO YOUTUBE


NOSSO PODCAST