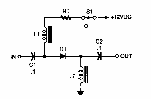
O resistor deste circuito tem valores típicos entre 470 ohms e 2k2. Encontramos este circuito numa Popular Electronics dos anos 90.

O resistor deste circuito tem valores típicos entre 470 ohms e 2k2. Encontramos este circuito numa Popular Electronics dos anos 90.
