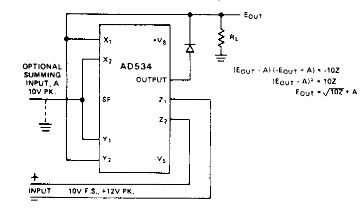
Encontrado em documentação da Analog Devices dos anos 80, este circuito fornece uma tensão de saída que é a raiz quadrada da tensão de entrada.

 


| Clique na imagem para ampliar |

 

 

NO YOUTUBE


NOSSO PODCAST