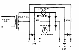
Este circuito foi encontrado num antigo manual americano. Ele se destina ao teste de SCRs e termistores usando lâmpadas indicadoras.

 


 

 

 

 

NO YOUTUBE


NOSSO PODCAST