Oscilador internacional CIR17108S CB9646E (CIR19693)
Detalhes
Escrito por: Newton C. Braga
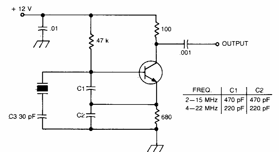
Este oscilador OF-1 LO foi encontrado numa documentação americana dos anos 80. O transistor pode ser de uso geral e C1/C2 são determinados pela frequência gerada.