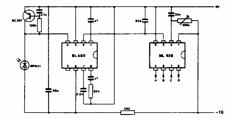
Este circuito foi encontrado numa documentação americana dos anos 90. Os circuitos integrados são da época. O sinal de saída é decodificado.

 


| Clique na imagem para ampliar |

 

 

NO YOUTUBE


NOSSO PODCAST