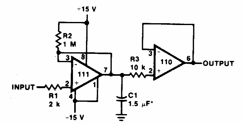
No diagrama temos o modo de se fazer a detecção de picos negativos de um sinal. O circuito é dos anos 80, usando amplificadores operacionais a época. No entanto, a configuração pode ser elaborada com componentes equivalentes modernos.
No diagrama temos o modo de se fazer a detecção de picos negativos de um sinal. O circuito é dos anos 80, usando amplificadores operacionais a época. No entanto, a configuração pode ser elaborada com componentes equivalentes modernos.