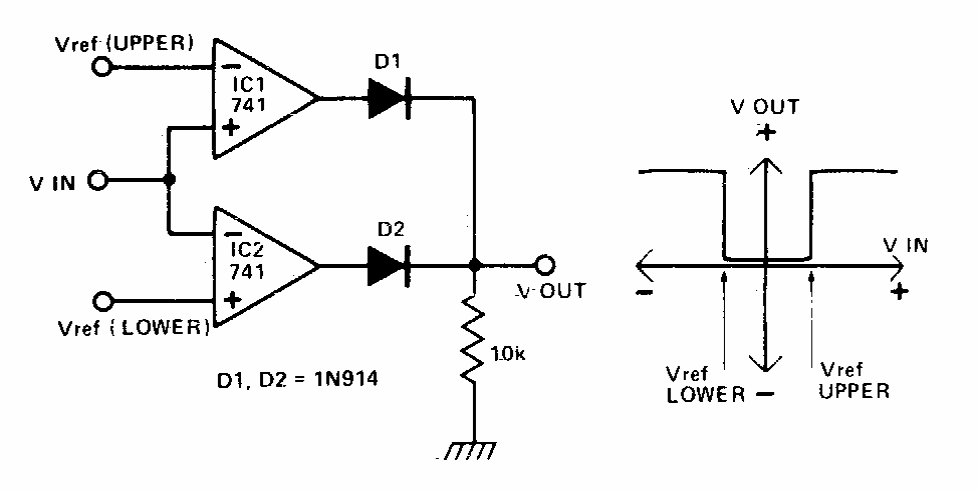
Esta é a configuração tradicional de um comparador de janela usando amplificadores operacionais como o 741. O circuito é de uma documentação dos anos 90. As tensões de referência podem ser geradas por divisores resistivos.
Esta é a configuração tradicional de um comparador de janela usando amplificadores operacionais como o 741. O circuito é de uma documentação dos anos 90. As tensões de referência podem ser geradas por divisores resistivos.