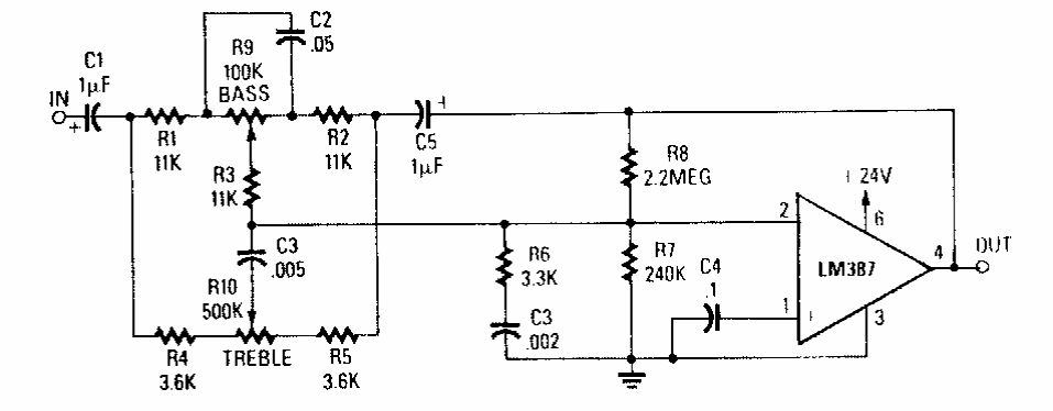
Este circuito é de uma Radio Electronics dos anos 90. O circuito integrado é da época e o ganho de reforço é de 20 dB.

 


| Clique na imagem para ampliar |

 

 

 

NO YOUTUBE


NOSSO PODCAST