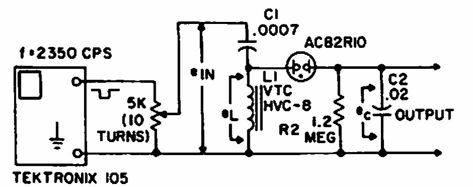
Encontrado em documentação da Signalite dos anos 60, este circuito gera pulsos em escada. O circuito gera 3 degraus e abaixo dos 40 V de alimentação, funciona como um divisor de frequência.
Encontrado em documentação da Signalite dos anos 60, este circuito gera pulsos em escada. O circuito gera 3 degraus e abaixo dos 40 V de alimentação, funciona como um divisor de frequência.