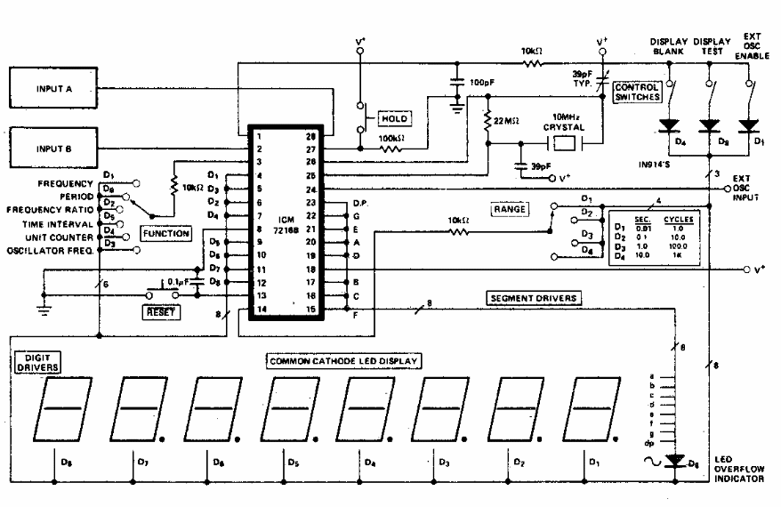
Contador universal de 10 MHz CIR17204S CB9715E (CIR19762)
Detalhes
Escrito por: Newton C. Braga
Este circuito foi encontrado numa publicação dos anos 80. O circuito emprega componentes da época, alguns pouco comuns atualmente. A alimentação é de 5 V.