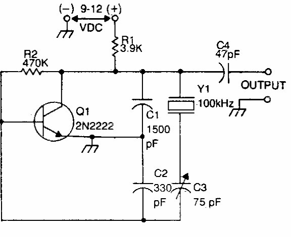
Este oscilador básico de 100 kHz é indicado para ser usado em calibração. Encontramos numa documentação dos anos 80. Os capacitores devem ser cerâmicos.

Este oscilador básico de 100 kHz é indicado para ser usado em calibração. Encontramos numa documentação dos anos 80. Os capacitores devem ser cerâmicos.
