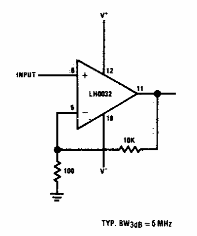
Este circuito básico de buffer pode ser implementado com outros amplificadores operacionais. O circuito é de uma documentação antiga. A fonte de alimentação deve ser simétrica.

Este circuito básico de buffer pode ser implementado com outros amplificadores operacionais. O circuito é de uma documentação antiga. A fonte de alimentação deve ser simétrica.
