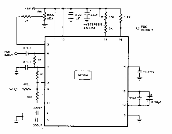
Este decodificador para sinais modulados em FSK pode operar em frequências de 10,8 MHz. Encontramos em documentação dos anos 80. O circuito integrado é pouco comum em nossos dias.

Este decodificador para sinais modulados em FSK pode operar em frequências de 10,8 MHz. Encontramos em documentação dos anos 80. O circuito integrado é pouco comum em nossos dias.
