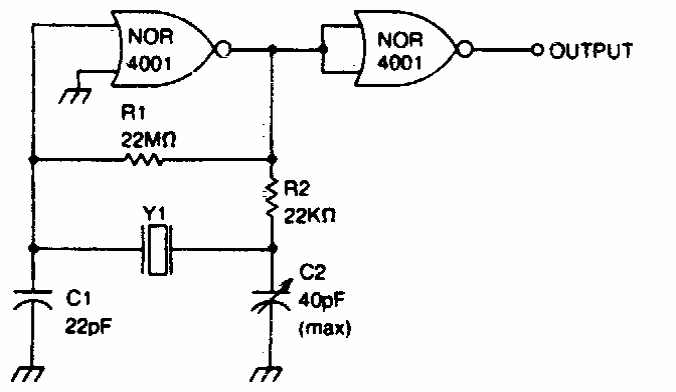
Encontrado numa documentação americana dos anos 80, este circuito opera na faixa de frequências de 0,5 a 20 MHz. A alimentação pode ficar entre 5 e 15 V.