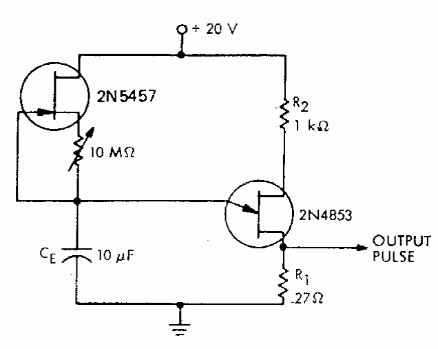
Encontrado em documentação da Motorola dos anos 90, este circuito faz a carga do capacitor com uma corrente constante. Os componentes admitem equivalentes.

Encontrado em documentação da Motorola dos anos 90, este circuito faz a carga do capacitor com uma corrente constante. Os componentes admitem equivalentes.
