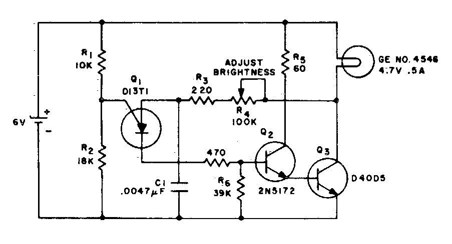
Para uma corrente de 5A e alimentação de 6 V este circuito foi encontrado numa documentação dos anos 70. Os transistores admitem equivalentes modernos. Q1 é um PUT pouco comum atualmente.
Para uma corrente de 5A e alimentação de 6 V este circuito foi encontrado numa documentação dos anos 70. Os transistores admitem equivalentes modernos. Q1 é um PUT pouco comum atualmente.