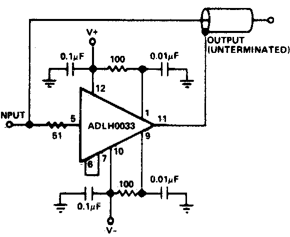
Este circuito foi encontrado em documentação dos anos 80. O circuito integrado é da época, pouco comum em nossos dias. A frequência máxima depende deste componente.

Este circuito foi encontrado em documentação dos anos 80. O circuito integrado é da época, pouco comum em nossos dias. A frequência máxima depende deste componente.
