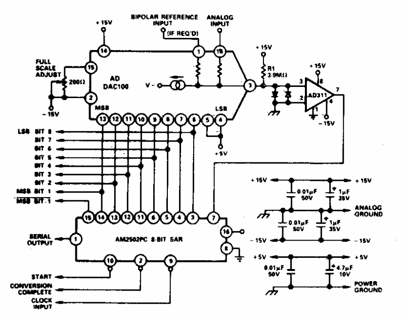
Este circuito é de uma documentação dos anos 70. O conversor usado não é um componente comum atualmente.

 


| Clique na imagem para ampliar |

 

 

NO YOUTUBE


NOSSO PODCAST