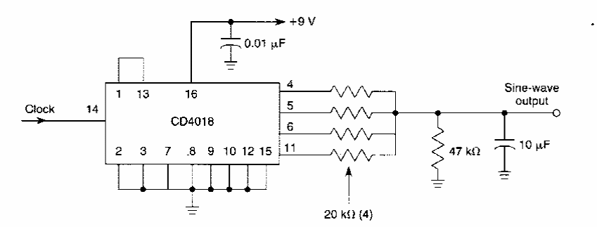
Este circuito converte um sinal retangular em senoidal de frequência mais baixa. O circuito é de uma documentação americana dos anos 90. O circuito integrado é atual.

 


| Clique na imagem para ampliar |

 

 

NO YOUTUBE


NOSSO PODCAST