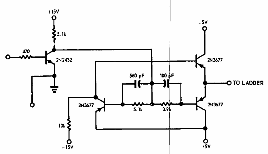
Encontrado numa EDN de 1969, este circuito utiliza componentes da época. Transistores equivalentes modernos podem ser utilizados.

 


| Clique na imagem para ampliar |

 

 

NO YOUTUBE


NOSSO PODCAST