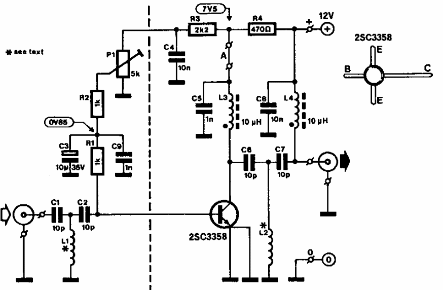
Este circuito foi encontrado numa Elektor dos anos 90. O circuito é crítico exigindo um layout muito bem planejando para correta operação.

 


| Clique na imagem para ampliar |

 

 

NO YOUTUBE


NOSSO PODCAST