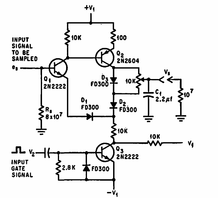
Este circuito foi encontrado em publicação americana de 1966. O que ele faz é receber um pulso e o manter por intervalos de até 1 minuto na saída.

 


| Clique na imagem para ampliar |

 

 

 

NO YOUTUBE


NOSSO PODCAST