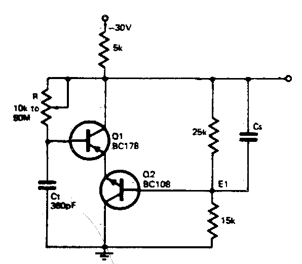
Este simples oscilador com dois transistores de uso geral tem sua frequência dada pelo capacitor C1 que pode ter valores a partir de 100 pF C4 tem valores entre 10 e 100 nF.

Este simples oscilador com dois transistores de uso geral tem sua frequência dada pelo capacitor C1 que pode ter valores a partir de 100 pF C4 tem valores entre 10 e 100 nF.
