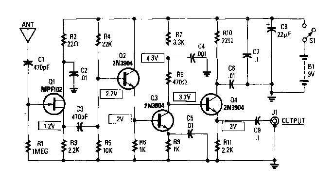
Encontrada numa Radio Electronics de 1988, este circuito utiliza transistores de uso gera para aumentar a intensidade de sinais até uns 30 MHz. A alimentação pode ser feita por bateria, pois o consumo é baixo.
Encontrada numa Radio Electronics de 1988, este circuito utiliza transistores de uso gera para aumentar a intensidade de sinais até uns 30 MHz. A alimentação pode ser feita por bateria, pois o consumo é baixo.