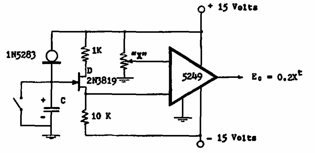
Encontrado numa documentação dos anos 60, este circuito faz uso de um amplificador operacional da época e de um diodo de corrente, ambos difíceis de encontrar atualmente.

 


| Clique na imagem para ampliar |

 

 

NO YOUTUBE


NOSSO PODCAST