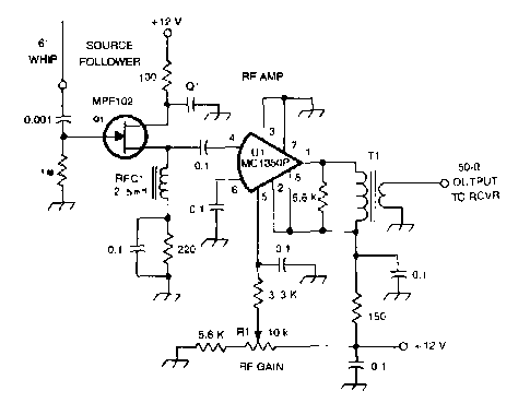
Neste circuito dos anos 80, o transformador T1 tem 30 espiras de fio 28 de primário e o secundário 4 espiras. O circuito funciona até uns 30 MHz. O circuito integrado é raro em nossos dias.

Neste circuito dos anos 80, o transformador T1 tem 30 espiras de fio 28 de primário e o secundário 4 espiras. O circuito funciona até uns 30 MHz. O circuito integrado é raro em nossos dias.
