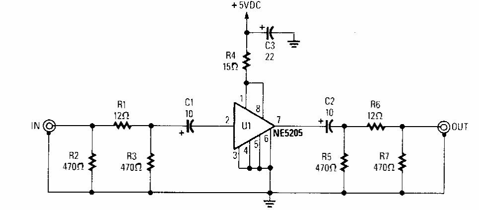
Encontrado numa Popular Electronics dos anos 90, este amplificador utiliza um circuito integrado da época. O circuito opera desde a banda de LF até 600 MHz com ganho de 16 dB.
Encontrado numa Popular Electronics dos anos 90, este amplificador utiliza um circuito integrado da época. O circuito opera desde a banda de LF até 600 MHz com ganho de 16 dB.