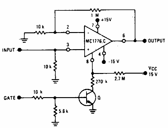
Podendo funcionar como shield, este amplificador foi encontrado numa documentação dos anos 70. Amplificadores operacionais equivalentes podem ser usados.

Podendo funcionar como shield, este amplificador foi encontrado numa documentação dos anos 70. Amplificadores operacionais equivalentes podem ser usados.
