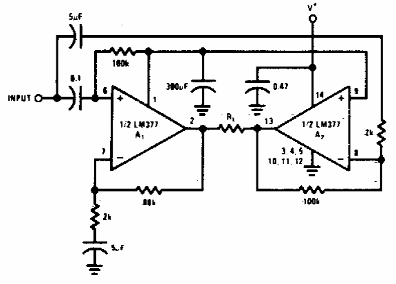
Usando dois LM377, este amplificador fornece alguns watts de áudio num alto-falante de baixa impedância a alimentação pode ficar entre 12 e 15 V tipicamente.

Usando dois LM377, este amplificador fornece alguns watts de áudio num alto-falante de baixa impedância a alimentação pode ficar entre 12 e 15 V tipicamente.
