Gerador de escada de 4 degraus CIR16425S CB9342E (CIR19398)
Detalhes
Escrito por: Newton C. Braga
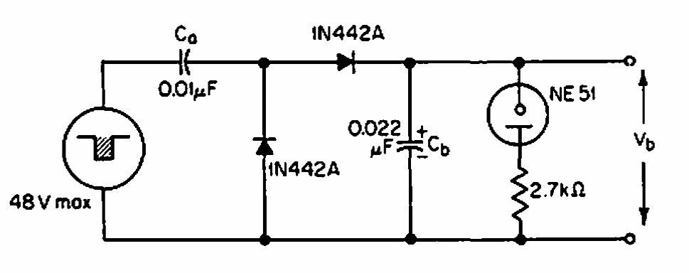
Encontrado em documentação americana de 1968, este circuito usa tanto diodos como uma lâmpada neon para gerar uma escada de 4 degraus. Observe a tensão de sinal.