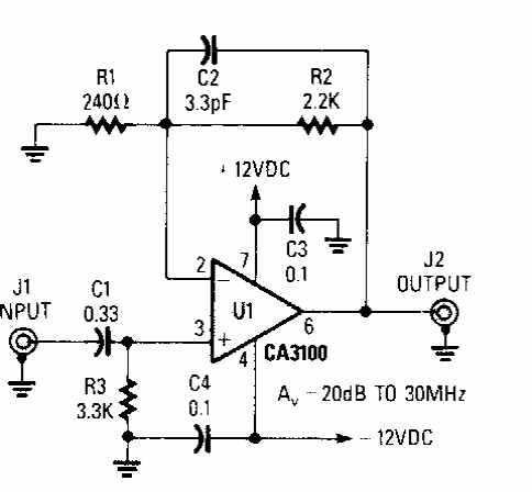
Encontrado numa Popular Electronics dos anos 90, este amplificador utiliza um amplificador operacional da época. O circuito opera até 10 MHz.

Encontrado numa Popular Electronics dos anos 90, este amplificador utiliza um amplificador operacional da época. O circuito opera até 10 MHz.
