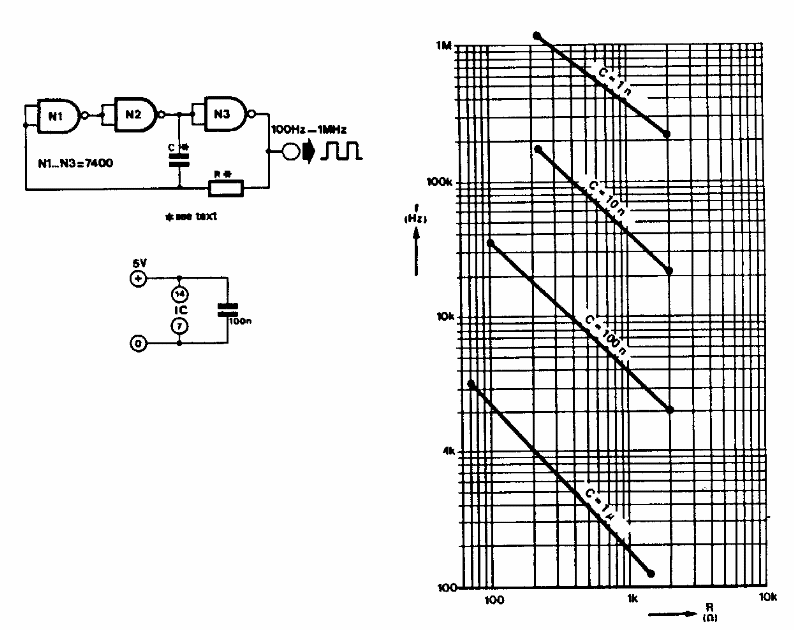
Na figura temos um oscilador básico com inversores obtidos de portas TTL, CMOS ou outras. O gráfico ao lado permite encontrar a frequência em função do resistor e do capacitor.

 


| Clique na imagem para ampliar |

 

 

NO YOUTUBE


NOSSO PODCAST