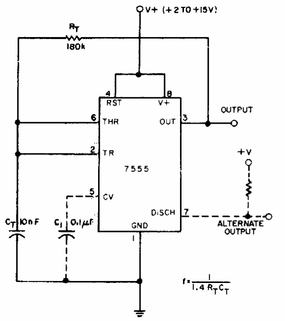
Encontrado numa Electronic Design dos anos 80, este circuito gera um sinal de 500 Hz, podendo funcionar como shield.