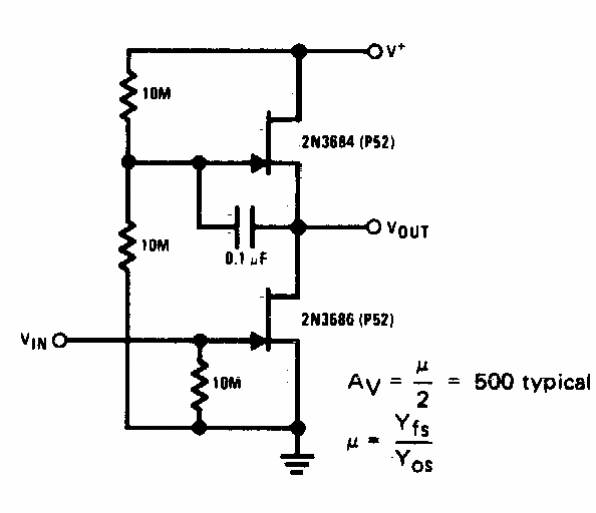
Encontrado numa documentação americana este circuito tem um ganho típico de 500 vezes. Outros transistores podem ser usados.

 


 

 

 

NO YOUTUBE


NOSSO PODCAST