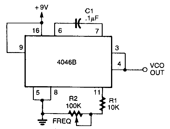
Este oscilador com o PLL 4046B foi obtido numa Radio Electronics dos anos 90. O circuito gera sinais de 200 a 2 kHz com o capacitor usado. Este componente pode ser alterado.

Este oscilador com o PLL 4046B foi obtido numa Radio Electronics dos anos 90. O circuito gera sinais de 200 a 2 kHz com o capacitor usado. Este componente pode ser alterado.
