Barulho de locomotiva CIR16174S CB9091E (CIR19149)
Detalhes
Escrito por: Newton C. Braga
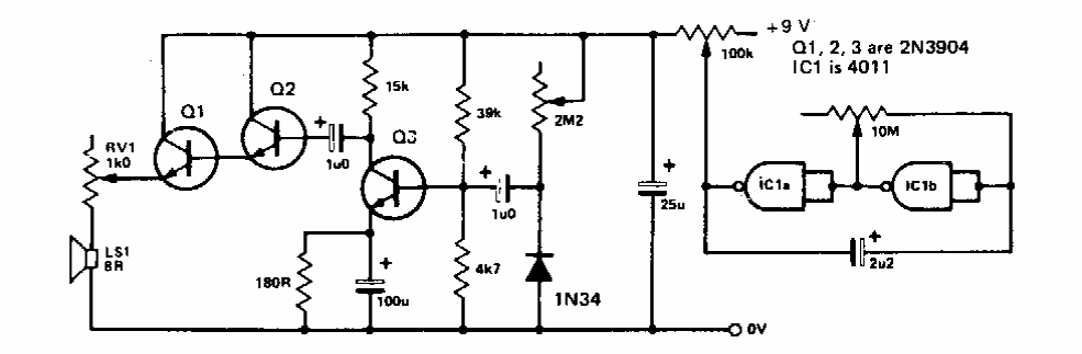
Encontrado em outros pontos desta seção, este circuito imita o barulho de uma locomotiva a vapor. Este foi obtido numa Electronics Today International dos anos 80.