Regulador com seguidor de emissor CIR15861S CB8811E (CIR18825)
Detalhes
Escrito por: Newton C. Braga
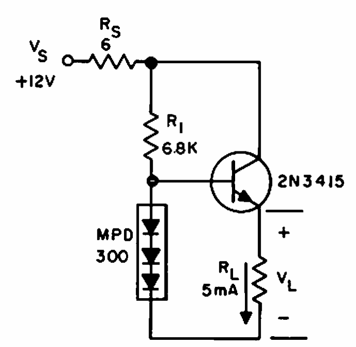
Encontrado em documentação da General Electric de 1966, este circuito usa um diodo triplo da época. A corrente de saída é de 5 mA. Serve como referência de tensão.