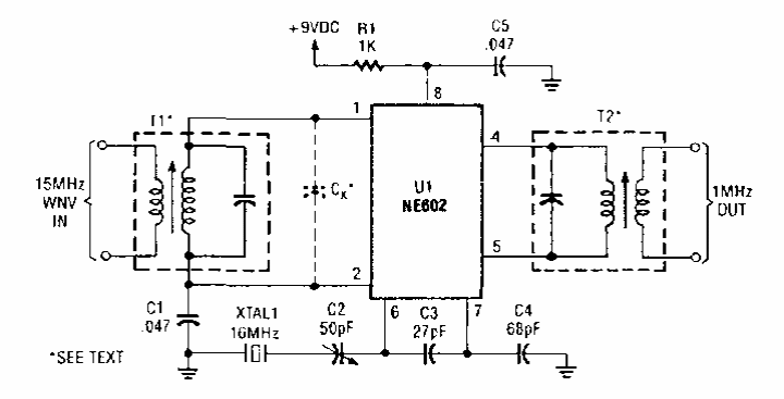
Com este conversor é possível sintonizar os sinais da WWV de 15 MHz.em receptor AM. A WWV é a transmissora de sinais horários e padrões do governo americano. O circuito é de uma Radio Craft.
Com este conversor é possível sintonizar os sinais da WWV de 15 MHz.em receptor AM. A WWV é a transmissora de sinais horários e padrões do governo americano. O circuito é de uma Radio Craft.