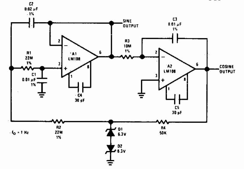
Este circuito é de uma documentação americana dos anos 70. Esta configuração aparece nesta seção obtida de outras fontes. O sinal é senoidal determinado em amplitude por D1 e D2.