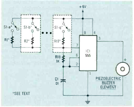
Este interessante circuito para montagem SMD saiu na revista Radio Electronics de novembro de 1987. Os fons são gerados por resistores escolhidos que são encaixados na montagem.

Este interessante circuito para montagem SMD saiu na revista Radio Electronics de novembro de 1987. Os fons são gerados por resistores escolhidos que são encaixados na montagem.
